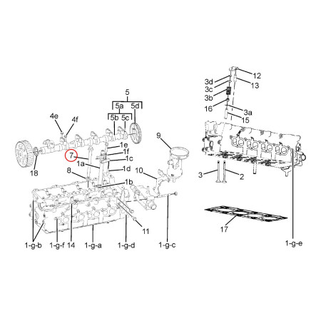
SKRUTKA HLAVY VALCOV

279701153201
Ceny jsou viditelné pouze přihlášeným zákazníkům.
Prosím Přihlaste se » nebo Registrujte se »

Číslo dielu: 279701153201

Tata Motors
279701153201
Nové

Odporúčame



7 dalších produktů ve stejné kategorii:

put here your own cookie law text