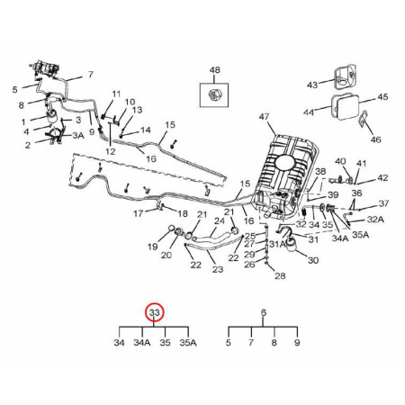
SZÍVÓCSŐ

265847100109
Az árak csak a bejelentkezett vásárlók számára láthatók.
Kérjük, Jelentkezzen be » vagy Regisztráció »

Alkatrész száma: 265847100109

Tata Motors
265847100109
Új

Odporúčame



16 hasonló termékek ugyanazon kategóriában:

put here your own cookie law text