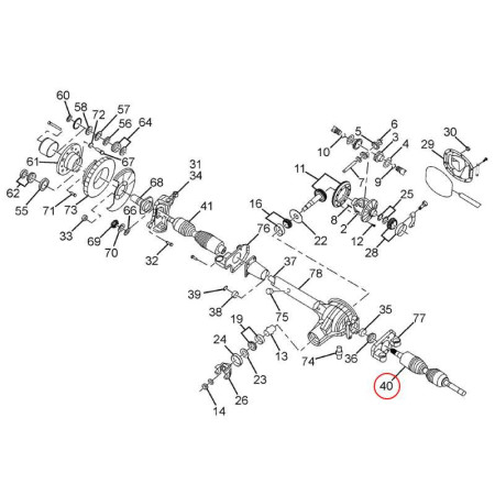
RH SEMI AXIS COMPLETE Economy

266733750106 e
Prices are only visible to logged in customers.
Please Log in » or Register »

Part number: 266733750106e

266733750106 e
New

Odporúčame



16 other products in the same category:

put here your own cookie law text